相關智能化電機保護裝置的模塊控制模塊的設計方法,包含電機保護裝置的信號分析模塊,開關電源,模塊,通信插口控制模塊等,一起來掌握下。
智能化電機保護裝置的設計方案關鍵選用溝通交流取樣方法 性能卓越單片機設計的計劃方案,選用該設計方法的電機保護裝置精確測量主要參數多、測量精度高、可以出示更健全的維護作用,可是選用此設計方法的成本費較高,市場價格也高,在只必須對電機出示負載、斷相同基礎常見問題維護的場所沒有性價比高可談。
因而,選用一種設計方案簡易、作用可以達到基礎維護規定、關鍵用以取代熱繼器的智能化電機保護裝置將會出現非常大的銷售市場。
ARD2型保護裝置便是一款設計方案簡約,維護作用較多,可以達到大部分電機維護規定的經濟實用的智能化電機保護裝置。
ARD2型智能化電機保護裝置選用降低成本的方案設計,總體系統軟件由信號分析模塊、中間控制部件、開關電源、人機交互技術模塊、工業觸摸屏、模塊、通信插口控制模塊等組成,設備硬件配置構造如圖所示1所顯示。

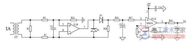
信號分析模塊
信號分析模塊選用整流器變大低通濾波器,見圖2,該電源電路能將取樣獲得的溝通交流數據信號整流器成交流電數據信號,由CPU片內AD開展變換測算。

圖上IC1為運放電路LM324,選用雙電源開關供電系統,那樣能夠 確保LM324輸出電壓做到9V靈活運用A/D變換提升表明精密度。IC1將取樣獲得的數據信號開展二級變大解決,提升了數據信號的取樣精密度,確保了數據信號的線性。
中間控制部件
中間控制部件采用MOTOROLA企業的款根據高寬比環保型S08核的元器件MC9S08AW32性能卓越單片機設計,該單片機設計上面資源豐富多彩,抗干擾性突顯。含有32K字節數可執行程序室內空間,上面集成化2K的RAM,適用BDM上面調節作用,片內集成化看門狗電路,上面集成化8安全通道10位AD。外界拓展了鐵電存儲器,用以儲存一些關鍵的主要參數,即便之后升級程序流程也不會遺失此前的關鍵數據信息。CPU對取樣數據信號開展解決測算,依據精確測量獲得的電流量、工作電壓值與事先設置的各種各樣維護標值開展比照,從而來分辨電機的運作情況是不是一切正常,是不是必須開展維護。中間控制部件電源電路見圖3。

開關電源
選用AC220V開關電源。該開關電源鍵入工作電壓為AC380V~450V,鍵入頻率45Hz~60Hz,輸出電壓平穩、設備故障率小,輸出諧波失真《1%,變換高效率≥75%。具備過電壓、過電流保護。該控制模塊經具體當場應用,具備很高的可靠性、穩定性和抗干擾性。
人機交互技術模塊
人機交互技術模塊選用LED表明和功能鍵鍵入,系統軟件選用單雙排四位LED數碼顯示管表明各種各樣信息內容。客戶可依據具體必須開展設定。在程序編寫情況下表明萊單及主要參數。數碼顯示管表明選用動態性掃描儀方法,其光耦電路應用一片74HC595加三極管組成。
模塊
模塊關鍵由開關量鍵入、輸出構成,見圖4。開關量鍵入用以檢測外界電源開關情況,也可依據顧客規定用以電機的啟動、終止操縱;開關量輸出關鍵用以輸出報警系統、脫口數據信號和遠程控制啟動數據信號。ARD2智能化電機保護裝置的作用較多,(電焊工天地 www.dgjs123.com)可以對電機運作中碰到的多種類型的常見故障開展精確的警報表明和脫口姿勢,能合理的避免電動機出現意外損壞的產生,能為客戶節省很多的資產,是熱繼器的理想化取代商品。
因而,普遍選用電機智能化保護裝置,不僅能夠 提升加工工藝操縱的精確性、合理性,減少故障率,并且針對提升電氣設備自動控制系統的自動化技術水準和發展趨勢社會經濟,也可以具有積極主動的促進功效。

通信插口控制模塊
通信插口控制模塊選用通用性的RS-485、Modbus RTU通信通信規約,能完成監測、遙控器、遙信等作用,見圖5。

ARD2智能化電機保護裝置的作用較多,可以對電機運作中碰到的多種類型的常見故障開展精確的警報表明和脫口姿勢,能合理的避免電動機出現意外損壞的產生,能為客戶節省很多的資產,是熱繼器的理想化取代商品。
因而,普遍選用電機智能化保護裝置,不僅能夠 提升加工工藝操縱的精確性、合理性,減少故障率,并且針對提升電氣設備自動控制系統的自動化技術水準和發展趨勢社會經濟,也可以具有積極主動的促進功效。
公司地址 : 上海市嘉定區寶安公路2999弄
公司郵箱 : 19121986111@163.com
公司電話 :?021-6992-5088